產品分類
全國免費服務熱線
0519-86585866
0519-86585866
- 地址:江蘇省常州市天寧區大明北路1738號12棟
- 電話:0519-86585866
- 傳真:0519-85192610
- 郵箱:sales@zxptest.com
我們用心為您服務!
We attentively service for you!
We attentively service for you!
產品展示
ZX9320SA 絕緣耐壓測試儀(帶接觸檢查)
ZX9320SA Hipot Tester/Safety Tester

簡要說明
ZX9320SA系列絕緣耐壓測試儀是常州致新精密推出的一款小功率經濟型智能絕緣耐壓測試儀器,該系列儀器都具有電弧偵測功能和測試線接觸檢查功能。
ZX9320SA系列絕緣耐壓測試儀獨特的測試線接觸檢查功能,解決了用戶”因測試線斷線造成的不良品誤判”的困擾,可廣泛應用于耐壓測試的半自動或自動化生產線上,大大提高產品測試的可靠性。
訂購信息
● ZX9320SA-2:帶2路掃描功能交直流絕緣耐壓測試儀,帶測試線接觸檢查功能。
● ZX9320SA-4:帶4路掃描功能交直流絕緣耐壓測試儀,帶測試線接觸檢查功能。
性能特點
● 4.3" TFT-LCD,可完整顯示測試結果,提高判讀效率
● 列表顯示功能,多步結果一屏顯示
● 鍵盤鎖功能,關機自動保存測試條件
● 開短路偵測功能(OSC)
● 測試線接觸檢查功能
● 電弧偵測功能,電流、等級兩種模式可選
● 人體防觸電保護功能(GFI)
● 任意設定電壓上升時間、測試時間、下降時間
● 支持U盤和內部文件保存
● 電流底數清零功能
● 可通過U盤更新儀器軟件
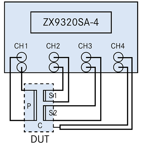
接觸檢查功能的測試應用舉例
要測量一只電源變壓器DUT的耐壓性能,測量項目如下:
(1)初級繞組P-次級繞組S1、次級繞組S2:AC耐壓測試
(2)初級繞組P、次級繞組S1、次級繞組S2-磁芯C:AC耐壓測試
(3)要有測試線接觸檢查功能,防止測試線斷線引起誤判。
接線方法如下圖所示:
在測試前,ZX9320SA系列耐壓測試儀先進行測試線的接觸檢查,如果檢測到測試線斷線或接觸不良,則儀器會報警提
示”CHECK FAIL”(測試線接觸不良),并終止測試。如果接觸檢查通過,則繼續進行后面的耐壓測試。







